Pages

Friday, August 21, 2020

Making A Stereo Audio Amplifier With TEA2025B

Overview Of TEA2025B

TEA2025B is a analog stereo audio amplifier with an output power up to 3W. It requires a single end positive power supply up to 15V. The amplification mode could be selected as bridge or stereo mode.

To make it work, it just require only a few passive components.

Making A Stereo Audio Amplifier With TEA2025B
A completed PCB Project

Making A Stereo Audio Amplifier With TEA2025B
Copper Soldering Side



Making A Stereo Audio Amplifier With TEA2025B
A remaining of TEA2025B I bought from Ali Express for 2 $. 

Pin Diagram Of TEA2025B 16-Pin DIP Package

Block Diagram Of TEA2025B From The Device Datasheet

Between bridge and stereo mode, I preferred a stereo application.

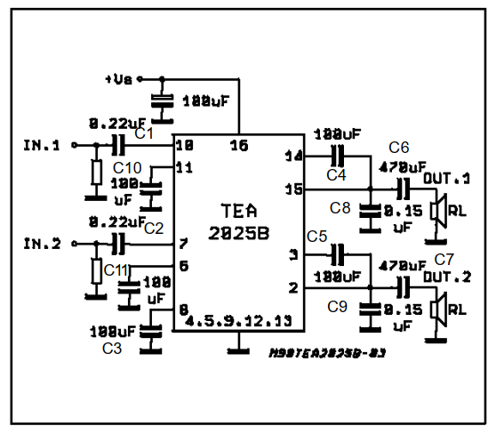
Stereo application circuit

For stereo mode there are relation to calculate for.

The voltage could be calculated as follow.



Stereo Voltage Gain Configuration

The output capacitor determines the low cut off frequency. It also depend on the output load value.

When COUT = 470 uF and RL = 4 Ohm, the cut off frequency is 80 Hz.

Schematic And PCB Design

Completed project was done with Proteus 8 due to its simple and light weight design requirements.

Making A Stereo Audio Amplifier With TEA2025B
Schematic Diagram

The symbol of TEA2025B I draw it by myself due the lack of analog IC symbol in the library. The power supply I test with this design is a 12 V regulated DC supply. It works well at 12 V.



Making A Stereo Audio Amplifier With TEA2025B
Copper track I plotted from the design
Making A Stereo Audio Amplifier With TEA2025B
Component Legends



Making A Stereo Audio Amplifier With TEA2025B
design screen shot
Making A Stereo Audio Amplifier With TEA2025B
A 3D Model Of This Amplifier

Project design could be download here.




I shared this audio project online. You can order this PCB from the online PCB fab at low cost.

PCB from=From pcbway

These are a preview of this PCB.

Making A Stereo Audio Amplifier With TEA2025B
Components Side



Making A Stereo Audio Amplifier With TEA2025B
Copper Soldering Side


No comments:

Post a Comment